產品展示

產品詳情
EP系列開關柜綜合操控裝置
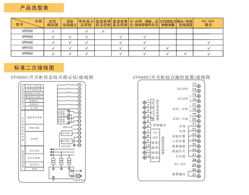
EP 系列開關柜智能測控裝置廣泛應用于 3~35kV 戶內開關柜,如:中置柜、手車柜、固定柜、環網柜等多種開關柜,適用于進線柜、出線柜、電容器柜、母聯柜、變壓器柜、互感器柜、計量柜、電機控制柜等多種形式的主回路控制柜。具備實時動態顯示一次模擬圖及其相應的分合位動作狀態、手車位置指示、儲能指示、接地開關指示、帶電顯示及閉鎖、溫濕度顯示控制、語音防誤提示、多種電力參數測量(如電流、電壓、有功/無功功率、功率因數、有功/無功電能等)、觸頭或電纜搭接頭溫度顯示、 RS-485 通訊接口等功能,并可安裝多種操作旋鈕和轉換開關 。
轉載請注明出處(EP9000開關柜綜合操控裝置:
http://www.china-tcglass.com/products/350.html
)
